Connexxion  Créez votre compte  Mot de passe oublié? 
Loader
7.3.14

Pied réglable - intégré - réglable par le haut

Pied réglable - intégré - réglable par le haut
Pied réglable - intégré - réglable par le haut
Pied réglable - intégré - réglable par le haut
Pied réglable - intégré - réglable par le haut
Pied réglable - intégré - réglable par le haut
Pied réglable - intégré - réglable par le hautdrawing_1
Informations sur le produit
  • Ce pied de meuble réglable en plastique est adapté à l'integre d'un panneau de meuble et conçu pour un perçage de Ø40mm
  • Réglage de la hauteur jusqu'à un maximum de +13mm
  • Réglable par le haut avec une clé Allen, c'est-à-dire depuis l'intérieur de l'armoire
  • Adapté pour les panneaux de bois et de meubles à partir de 18 mm d'épaisseur
  • Capacité de charge de 50 kg par pied
  • Grâce à leur design fin et à leur conception integre, ces pieds de meubles réglables sont pratiquement invisibles sous les armoires, entre autres
  • Les pieds de meubles réglables sont conçus pour être integré dans du bois, des panneaux de meubles, du MDF, de l'aggloméré ou du plastique et sont utilisés avec notamment sous les armoires, les buffets et les commodes.

Matériau: PA (polyamide)
Couleur: noir

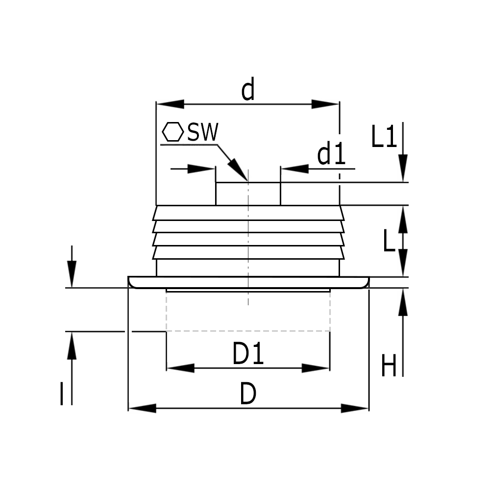
Légende
D=Ø-bord, D1=Ø-pied, D=Ø-arbre, D1=Ø-manchon, H=Hauteur bord , K=Charge statique maximale en kg, L=Longueur d'arbre, L1=Hauteur d'arbre, l=Hauteur de réglage maximale, M=Filetage x longueur du filetage, SW=Sur plat

1 pagina's -   1  

Article Désignation M SW Épaisseur de tôle D d d1
7120040 Z Pied de meuble hauteur réglable pour perçage Ø40mm - integre - M10x20 - réglable par le haut avec vis Allen SW5 - Noir M10x2 SW 5 18 50 40 13,5

1 pagina's -   1  

Paypal  IBAN  Maestro  mastercard  Visa  American Express  iDeal  Bancontact  Bancontact  Bancontact  Bancontact  Giropay  Sofort banking  Verzending net DPD