Connexxion  Créez votre compte  Mot de passe oublié? 
Loader
8.4

Palier clips en plastique à double collerette pour tôle

Palier clips en plastique à double collerette pour tôle
Palier clips en plastique à double collerette pour tôle
Palier clips en plastique à double collerette pour tôle
Palier clips en plastique à double collerette pour tôle
Palier clips en plastique à double collerette pour tôle
Palier clips en plastique à double collerette pour tôledrawing_1
Informations sur le produit
  • Paliers lisses clips en plastique à double collerette (palier à clip) pour applications sur tôle, disponibles pour des axes de Ø3 mm à Ø25 mm
  • Adaptés pour des épaisseurs de tôle de 1,5 mm à 8 mm
  • La double collerette bloque fermement le palier dans la tôle après le clipsage
  • Montage rapide par clipsage – aucun élément de fixation supplémentaire nécessaire
  • Convient pour les mouvements de rotation, linéaires et oscillants
  • Sans entretien et résistant à l’usure pour une longue durée de vie
  • Peut être utilisé comme palier ou comme passage d’arbre dans des tôles ou structures légères
  • Applications typiques : construction de machines, fabrication d’appareils, systèmes de charnières et industrie automobile

Matériau : composé – voir l’article
Couleur : naturel


Légende
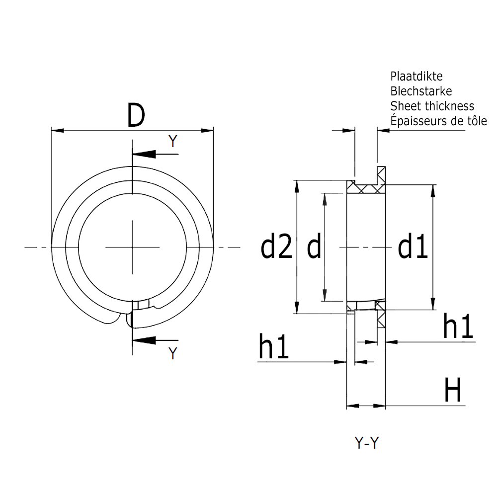
Alésage=Alésage du logement de palier/trou de montage, D=collerette-Ø-grand, d=Alésage d’arbre Ø, d1=Perçage-Ø (dans la plaque), d2=collerette-Ø-petit, H=Hauteur totale, h1=épaisseur du collet

Filtrer par :
1 pagina's -   1  

Article Désignation d2 Alésage d d1 D H
8806255042020 G Palier lisse clipsable à double collerette - fendu - polymère M250 - Ø3 x 4.2mm - tôle 2mm - Anthracite 4,8 4,2 3 4,2 6 3,2
8806255042030 G Palier lisse clipsable à double collerette - fendu - polymère M250 - Ø3 x 4.2mm - tôle 3mm - Anthracite 4,8 4,2 3 4,2 6 4,2
8806255052020 G Palier lisse clipsable à double collerette - fendu - polymère M250 - Ø4 x 5.2mm - tôle 2mm - Anthracite 5,9 5,2 4 5,2 7 3,2
8806255052030 G Palier lisse clipsable à double collerette - fendu - polymère M250 - Ø4 x 5.2mm - tôle 3mm - Anthracite 5,9 5,2 4 5,2 7 4,2
8806255062020 G Palier lisse clipsable à double collerette - fendu - polymère M250 - Ø5 x 6.2mm - tôle 2mm - Anthracite 6,8 6,2 5 6,2 8 3,2
8806255062030 G Palier lisse clipsable à double collerette - fendu - polymère M250 - Ø5 x 6.2mm - tôle 3mm - Anthracite 6,8 6,2 5 6,2 8 4,2
8806255072015 G Palier lisse clipsable à double collerette - fendu - polymère M250 - Ø6 x 7.2mm - tôle 1.5mm - Anthracite 7,8 7,2 6 7,2 11 2,7
8806255072020 G Palier lisse clipsable à double collerette - fendu - polymère M250 - Ø6 x 7.2mm - tôle 2mm - Anthracite 7,8 7,2 6 7,2 11 3,2
8806255072030 G Palier lisse clipsable à double collerette - fendu - polymère M250 - Ø6 x 7.2mm - tôle 3mm - Anthracite 7,8 7,2 6 7,2 11 4,2
8806255072040 G Palier lisse clipsable à double collerette - fendu - polymère M250 - Ø6 x 7.2mm - tôle 4mm - Anthracite 7,8 7,2 6 7,2 11 5,2
8806255090030 G Palier lisse clipsable à double collerette - fendu - polymère M250 - Ø7 x 9.0mm - tôle 3mm - Anthracite 9,8 9 7 9 13 4,2
8806255096020 G Palier lisse clipsable à double collerette - fendu - polymère M250 - Ø8 x 9.6mm - tôle 2mm - Anthracite 10,4 9,6 8 9,6 13 3,6
8806255096030 G Palier lisse clipsable à double collerette - fendu - polymère M250 - Ø8 x 9.6mm - tôle 3mm - Anthracite 10,4 9,6 8 9,6 13 4,6
8806255106020 G Palier lisse clipsable à double collerette - fendu - polymère M250 - Ø9 x 10.6mm - tôle 2mm - Anthracite 11,4 10,6 9 10,6 14 3,6
8806255116020 G Palier lisse clipsable à double collerette - fendu - polymère M250 - Ø10 x 11.6mm - tôle 2mm - Anthracite 12,4 11,6 10 11,6 15 3,6
8806255116025 G Palier lisse clipsable à double collerette - fendu - polymère M250 - Ø10 x 11.6mm - tôle 2.5mm - Anthracite 12,4 11,6 10 11,6 15 4,1
8806255116030 G Palier lisse clipsable à double collerette - fendu - polymère M250 - Ø10 x 11.6mm - tôle 3mm - Anthracite 12,4 11,6 10 11,6 15 4,6
8806255116080 G Palier lisse clipsable à double collerette - fendu - polymère M250 - Ø10 x 11.6mm - tôle 8mm - Anthracite 12,4 11,6 10 11,6 15 9,6
8806255136020 G Palier lisse clipsable à double collerette - fendu - polymère M250 - Ø12 x 13.6mm - tôle 2mm - Anthracite 14,4 13,6 12 13,6 17 3,6
8806255136030 G Palier lisse clipsable à double collerette - fendu - polymère M250 - Ø12 x 13.6mm - tôle 3mm - Anthracite 14,4 13,6 12 13,6 17 4,6
8806255136035 G Palier lisse clipsable à double collerette - fendu - polymère M250 - Ø12 x 13.6mm - tôle 3.5mm - Anthracite 14,4 13,6 12 13,6 17 5,1
8806255136040 G Palier lisse clipsable à double collerette - fendu - polymère M250 - Ø12 x 13.6mm - tôle 4mm - Anthracite 14,4 13,6 12 13,6 17 5,6
8806255156030 G Palier lisse clipsable à double collerette - fendu - polymère M250 - Ø14 x 15.6mm - tôle 3mm - Anthracite 16,4 15,6 14 15,6 19 4,6
8806255176020 G Palier lisse clipsable à double collerette - fendu - polymère M250 - Ø16 x 17.6mm - tôle 2mm - Anthracite 18,4 17,6 16 17,6 21 3,6
8806255176030 G Palier lisse clipsable à double collerette - fendu - polymère M250 - Ø16 x 17.6mm - tôle 3mm - Anthracite 18,4 17,6 16 17,6 21 4,6
8806255176040 G Palier lisse clipsable à double collerette - fendu - polymère M250 - Ø16 x 17.6mm - tôle 4mm - Anthracite 18,4 17,6 16 17,6 21 5,6
8806255200030 G Palier lisse clipsable à double collerette - fendu - polymère M250 - Ø18 x 20.0mm - tôle 3mm - Anthracite 21 20 18 20 23 5
8806255220030 G Palier lisse clipsable à double collerette - fendu - polymère M250 - Ø20 x 22.0mm - tôle 3mm - Anthracite 23 22 20 22 25 5
8806255270030 G Palier lisse clipsable à double collerette - fendu - polymère M250 - Ø25 x 27.0mm - tôle 3mm - Anthracite 28 27 25 27 30 5
88062596 N Palier lisse clipsable à double collerette - fendu - polymère PA6.6 - Ø10 x 11.6mm - tôle 1.5-2.0mm - Naturel 0 11,6 10 11,6 15 3,6

1 pagina's -   1  

Palier clips en plastique à double collerette pour arbres traversant la tôle

Les paliers clips plastique ont été spécialement développés pour le passage d’arbres au travers de parois en tôle. Grâce à leur système de clipsage intelligent, ils s’enclenchent facilement dans le trou de la tôle et sont immédiatement bloqués des deux côtés. La double collerette assure une fixation sûre et durable dans la tôle. Ces paliers sont idéaux pour les mouvements de rotation, d’oscillation et linéaires dans les applications où la compacité, la légèreté et l’absence d’entretien sont essentielles – comme dans la construction de machines, la fabrication d’appareils et le secteur automobile.

Paypal  IBAN  Maestro  mastercard  Visa  American Express  iDeal  Bancontact  Bancontact  Bancontact  Bancontact  Giropay  Sofort banking  Verzending net DPD