Connexxion
Connexxion
Créez votre compte
Mot de passe oublié?
Panier vide
0
+31(0)493 322068
Catégories en image
Thématiques
Nouveautes
Infos techniques
Service client
Contact
Catégories en image
Thématiques
Nouveautes
Infos techniques
Service client
Contact
Embouts enveloppants
Embouts à ailettes
Patins pour meubles à tubes
Protection, masquage et étanchéité
Caches pour vis, boulons et écrous
Joint U bord de tôle en plastique et caoutchouc
Pieds réglables
Paliers lisses
Visserie
Raccords pour tubes
Charnières
Amortisseurs de vibration et bagues en caoutchouc
Composants standard et pièces de commande
Poignées de serrage
Boutons étoile
Boutons moletés
Poignées croix
Boulons et écrous papillon
Boutons boule
Boulons de blocage
Boulon de blocage à collerette hexagonale - acier
Boulon de blocage à collerette hexagonale - acier - avec verrouillage
Boulon de blocage à collerette hexagonale - inox
Boulon de blocage à collerette hexagonale - inox - avec verrouillage
Volants de commande
Poignées boule
Poignées cylindriques
Poignées caoutchouc
Poignées pont
Composants hygiéniques en acier inoxydable 3-A
Roues et roulettes
Vérins à gaz et accessoires
Accessoires de clôture
Patins et pieds de meuble
Patins et feutres autocollants
Butées de porte et cadre
Tampons encastrables et supports pour vitrage
Gestion des câbles
Ergonomie
Connecteurs de chaises
Échelles et escaliers
Construction
Rosaces de finition de couverture
Divers
Clous décoratifs, clous de tapissier et clous d'ameublement
Produits
Composants standard et pièces de commande
Boulons de blocage
Boulon de blocage à collerette hexagonale - inox - avec verrouillage
Boulon de blocage Inox - bouton PA 25mm - M12x1.5 - tige 6mm - avec rondelle de blocage
Boulon de blocage Inox - bouton PA 25mm - M12x1.5 - tige 6mm - avec rondelle de blocage
Enregistrer
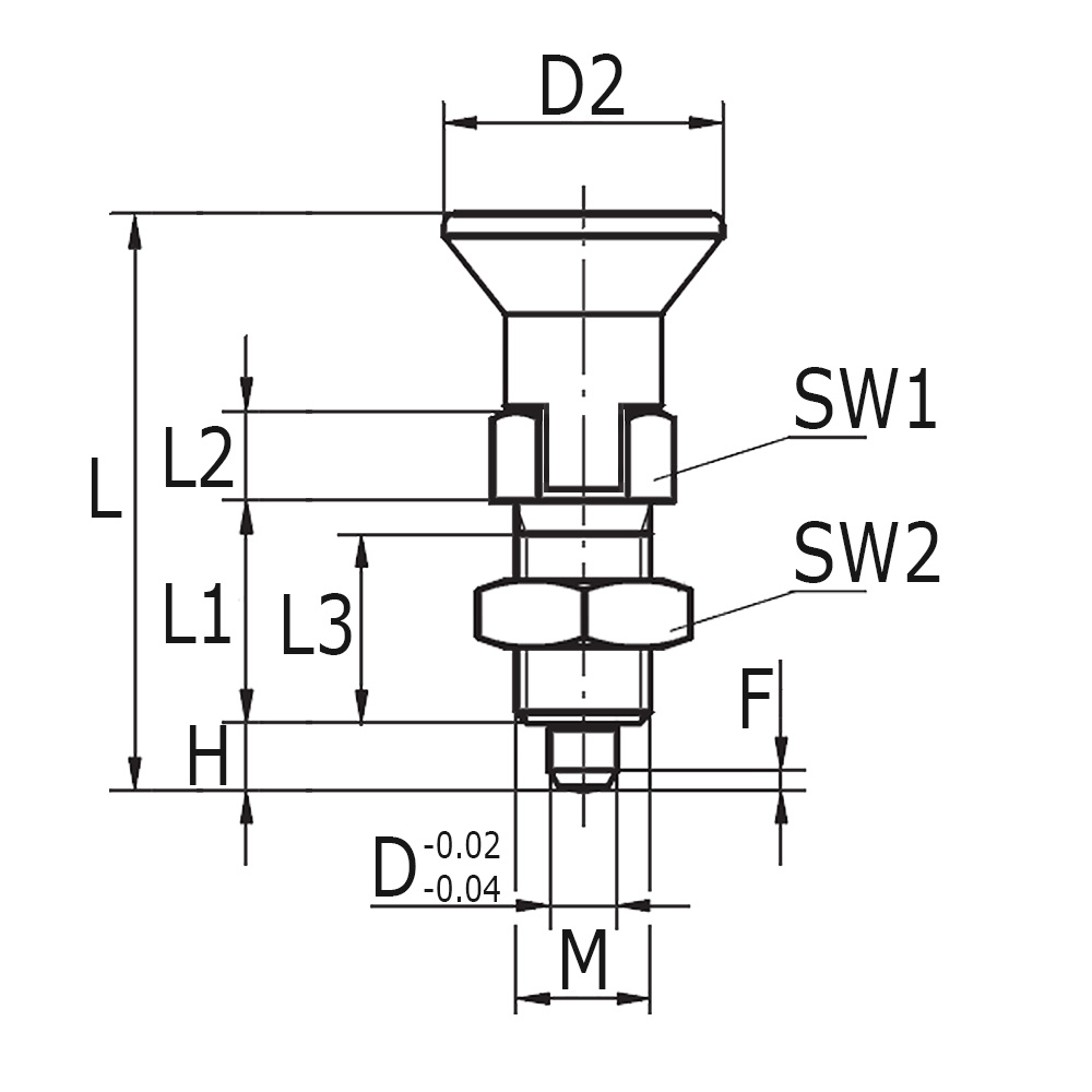
D :
6
H :
6
L :
51.7
L1 :
20
D2 :
25
M :
M12x1.5
L2 :
8
L3 :
17
F :
1.8
F1 :
6
F2 :
14
SW1 :
SW 14
SW2 :
SW 19
Couleur/RAL :
Acier inoxydable
Légende
D=Ø-tige, D2=Ø-bouton, F=Hauteur facette du tige, H=Longueur de tige, L=Longeur totale, L1=Longeur, L2=Hauteur hexagonal collet, L3=Longeur filetage, M=Dimension de filetage (métrique fin), SW1=Sur plat collet, SW2=Sur plat écrou hexagonal
Réf. article :
381251206 RVS
En stock :
Oui
€ 20,1719
à l’unité
€ 24,4080 TVA incl.
Quantité
Ajouter au panier
Ajouter au panier
Vous commandez à l’unité