Connexxion  Créez votre compte  Mot de passe oublié? 
Loader
2.6.12

Vérins réglables pour tube carré 40x40 - grande plage de réglage

Vérins réglables pour tube carré 40x40 - grande plage de réglage
Vérins réglables pour tube carré 40x40 - grande plage de réglage
Vérins réglables pour tube carré 40x40 - grande plage de réglage
Vérins réglables pour tube carré 40x40 - grande plage de réglage
Vérins réglables pour tube carré 40x40 - grande plage de réglage
Vérins réglables pour tube carré 40x40 - grande plage de réglage
Vérins réglables pour tube carré 40x40 - grande plage de réglagedrawing_1
Vérins réglables pour tube carré 40x40 - grande plage de réglagedrawing_2
Informations sur le produit
  • Ce modèle de pied de réglable avec pied en plastique fixe pivotant, également appelé pied ajustable, est disponible pour les tubes carrés de 40x40mm avec des épaisseurs de paroi de 1,0mm à 2,0mm
  • Grande plage de réglage, réglage en continu de la hauteur maximale de 100 mm ou 170 mm
  • Pied réglable avec un pied rond de diamètre Ø40mm ou Ø68mm
  • Ce modèle de réglage de la hauteur est généralement utilisé dans l'industrie du mobilier de bureau comme pied réglable, par exemple pour les bureaux assis-debout, les postes de travail informatiques, les bureaux de travail et d'écriture où le réglage de la hauteur est important pour l'ergonomie.

Matériau: PA GF (polyamide renforcé de fibres de verre)
Couleur: noir

Accessoire en option
  • Capuchons antidérapants (4x par pied)

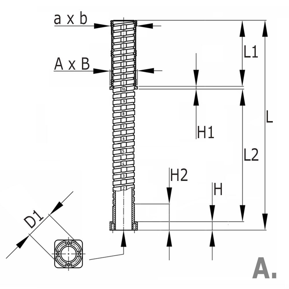
Légende
AxB=Dimensions de collerette, axb=Dimensions des ailettes, Dimension du tube=Dimensions des tubes extérieur , D1=Ø-pied, H=Hauteur de pied, H1=Épaisseur du collet, H2=Hauteur min. chez broche retourné, L=Longeur totale, L1=Longueur de tige, L2=Plage de réglage, Exécution=Épaisseur de paroi

Filtrer par :
1 pagina's -   1  

Article Désignation Exécution Type QMC a b D1
7009402 Z Réglage de la hauteur pour tuyau PA-GF 40x40mm - 1.5mm - pied Ø40mm - plage de réglage 0-100mm - Noir 1,5 A 400 37,5 37,5 40
7009440 Z Réglage de la hauteur pour tuyau PA-GF 40x40mm - 1.5mm - pied Ø68mm - plage de réglage 0-100mm - Noir 1,5 B 400 37,5 37,5 68
7003440 Z Réglage de la hauteur pour tuyau PA-GF 40x40mm - 2.0mm - pied Ø68mm - plage de réglage 0-100mm - Noir 2,0 B 36,5 36,5 68
7004402 Z Réglage de la hauteur pour tuyau PA-GF 40x40mm - 2.0mm - pied Ø40mm - plage de réglage 0-100mm - Noir 2,0 A 36,5 36,5 40
7008401 Z Réglage de la hauteur pour tuyau PA-GF 40x40mm - 1.5mm - pied Ø40mm - plage de réglage 0-170mm - Noir 1,5 A 37,5 37,5 40
7008440 Z Réglage de la hauteur pour tuyau PA-GF 40x40mm - 1.5mm - pied Ø68mm - plage de réglage 0-170mm - Noir 1,5 B 400 37,5 37,5 68
7002440 Z Réglage de la hauteur pour tuyau PA-GF 40x40mm - 2.0mm - pied Ø68mm - plage de réglage 0-170mm - Noir 2,0 B 200 36,5 36,5 68
7004401 Z Réglage de la hauteur pour tuyau PA-GF 40x40mm - 2.0mm - pied Ø40mm - plage de réglage 0-170mm - Noir 2,0 A 36,5 36,5 40

1 pagina's -   1  

Paypal  IBAN  Maestro  mastercard  Visa  American Express  iDeal  Bancontact  Bancontact  Bancontact  Bancontact  Giropay  Sofort banking  Verzending net DPD