Connexxion
Connexxion
Créez votre compte
Mot de passe oublié?
Panier vide
0
+31(0)493 322068
Catégories en image
Thématiques
Nouveautes
Infos techniques
Service client
Contact
Catégories en image
Thématiques
Nouveautes
Infos techniques
Service client
Contact
Embouts enveloppants
Embouts à ailettes
Patins pour meubles à tubes
Protection, masquage et étanchéité
Caches pour vis, boulons et écrous
Joint U bord de tôle en plastique et caoutchouc
Pieds réglables
Paliers lisses
Visserie
Raccords pour tubes
Charnières
Amortisseurs de vibration et bagues en caoutchouc
Composants standard et pièces de commande
Poignées de serrage
Boutons étoile
Boutons moletés
Poignées croix
Boulons et écrous papillon
Boutons boule
Boulons de blocage
Volants de commande
Poignées boule
Poignées cylindriques
Poignée cylindrique en PA avec filetage mâle
Poignée cylindrique en PA avec filetage femelle ou serrage
Poignée conique en bakélite avec filetage mâle
Poignée conique en bakélite avec filetage femelle
Poignée cylindrique - DIN 98 - bakélite - tournante
Poignée cylindrique en PA rotative
Poignée cylindrique rabattable rotative en PA
Poignées caoutchouc
Poignées pont
Composants hygiéniques en acier inoxydable 3-A
Roues et roulettes
Vérins à gaz et accessoires
Accessoires de clôture
Patins et pieds de meuble
Patins et feutres autocollants
Butées de porte et cadre
Tampons encastrables et supports pour vitrage
Gestion des câbles
Ergonomie
Connecteurs de chaises
Échelles et escaliers
Construction
Rosaces de finition de couverture
Divers
Clous décoratifs, clous de tapissier et clous d'ameublement
Produits
Composants standard et pièces de commande
Poignées cylindriques
Poignée cylindrique rabattable rotative en PA
Poignée cylindrique pivotante/pliable PA-GF Ø25x69mm - M8x16mm - SW13 - Noir
Poignée cylindrique pivotante/pliable PA-GF Ø25x69mm - M8x16mm - SW13 - Noir
Enregistrer
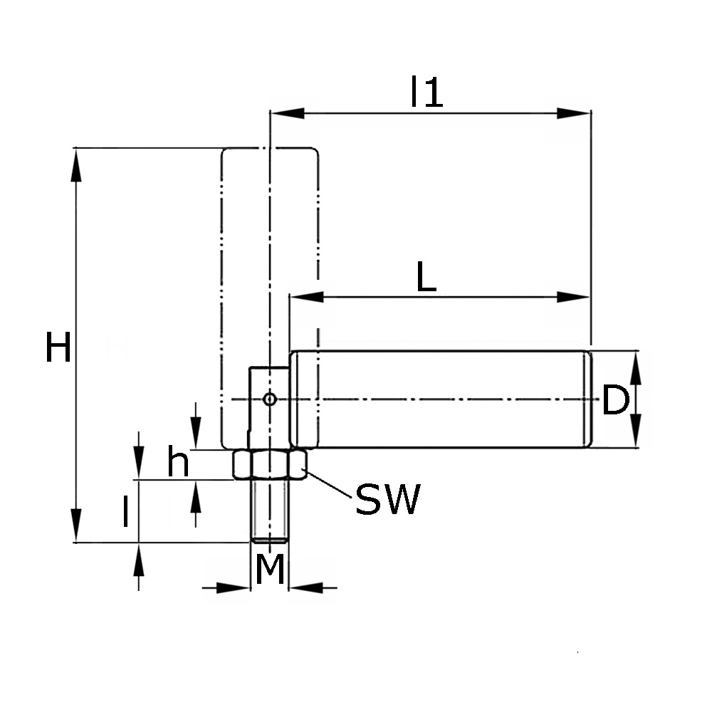
D :
25
H :
85.5
L :
69
M :
M 8
h :
19
SW :
SW 13
l :
16
l1 :
73
Couleur/RAL :
noir
Volle doos :
100 stuks
Disponible en toute quantité
Légende
D=Ø-poignée grand, D=Hauteur écrou hexagonal, L=Longueur de la poignée, l=Longueur du filetage, M=Filetage, SW=Sur plat
Réf. article :
3980690816
En stock :
Oui
€ 5,7274
à l’unité
€ 6,9302 TVA incl.
Quantité
Ajouter au panier
Ajouter au panier
Vous commandez à l’unité