Connexxion
Connexxion
Créez votre compte
Mot de passe oublié?
Panier vide
0
+31(0)493 322068
Catégories en image
Thématiques
Nouveautes
Infos techniques
Service client
Contact
Catégories en image
Thématiques
Nouveautes
Infos techniques
Service client
Contact
Embouts enveloppants
Embouts à ailettes
Patins pour meubles à tubes
Protection, masquage et étanchéité
Protection et étanchéité des filetages et perçages
Éléments de protection résistants à la chaleur
Protection et étanchéité des tubes et brides
Protection de brides - insertion
Protection face de bride RF FF - emboîtable
Protecteurs de brides en caoutchouc autocollants - face RF FF
Capuchon de bride avec goupille
Bouchons de protection nervurés pour tubes
Capuchons de protection pour filetages extérieurs et extrémités de tubes
Capuchons de protection pour tubes - ANSI & ISO 6708
Capuchons de protection pour tubes - flexibles - ANSI & ISO 6708
Joints toriques
Protection câbles et tuyaux
Rubans de masquage
Caches pour vis, boulons et écrous
Joint U bord de tôle en plastique et caoutchouc
Pieds réglables
Paliers lisses
Visserie
Raccords pour tubes
Charnières
Amortisseurs de vibration et bagues en caoutchouc
Composants standard et pièces de commande
Roues et roulettes
Vérins à gaz et accessoires
Accessoires de clôture
Patins et pieds de meuble
Patins et feutres autocollants
Butées de porte et cadre
Tampons encastrables et supports pour vitrage
Gestion des câbles
Ergonomie
Connecteurs de chaises
Échelles et escaliers
Construction
Rosaces de finition de couverture
Divers
Clous décoratifs, clous de tapissier et clous d'ameublement
Produits
Protection, masquage et étanchéité
Protection et étanchéité des tubes et brides
Bouchons de protection nervurés pour tubes
Bouchons de protection nervurés PE-LD pour tubes Ø45-49 - D=49.7 - Rouge
Bouchons de protection nervurés PE-LD pour tubes Ø45-49 - D=49.7 - Rouge
Enregistrer
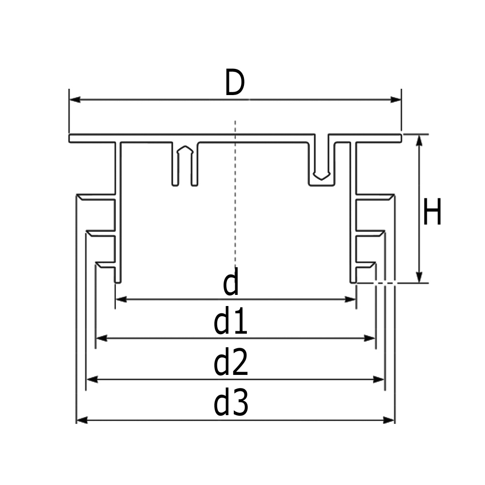
D :
49.7
H :
25
Type :
C
d :
29.3
a :
10
d2 :
45.5
Dimension du tube :
50
d3 :
54.7
Alésage :
45-49
Couleur/RAL :
Rood
Volle doos :
500 stuks
Disponible en toute quantité
Légende
Perçage =Adéquation dimension de tube intérieur min/max , Largeur tube=tube extérieur, D=Ø-tête, d=Ø-tige, d1-d3=ailettes, DIN=DN-largeur de tube, H=Hauteur, Type=Exécution pour possibilités de montage bague d'arrêt, Exécution=Épaisseur paroi maximale
Réf. article :
53.0050.000 R
En stock :
Oui
€ 0,1663
à l’unité
€ 0,2012 TVA incl.
Quantité
Ajouter au panier
Ajouter au panier
Vous commandez à l’unité